Balanced Cable

Balanced transmission uses a cable with two conductors (andn usually an optional shield) that have equal impedance to ground. Often the two conductors form a twisted pair, where they are tightly wrapped together along the cable length.

Differential Transmission

Differential signaling uses a pair of two conductors, usually on a balanced cable. One of the pair carries the A signal (Data+) and the other the opposite polarity signal (complement), known as the B signal (Data-). In this case,the cable is said to be driven differentially and the receiver(s) connected to the cable read the data by observing the difference between the signals on the two conductors, and not their absolute value (referenced to ground).

A typical differential transmitter drives both the A, B conductor (line) of a balanced line to send each baud:

The differential signal results in no net radiated signal by the cable. That is, the radiation from the A and B signals effectively cancel one another out, so that eliminating the combined radiation when measured at a short distance away from the cable.

When thinking about a cable that is subject to interefence, the receiver experiences the same interference on both conductors in a differential transmission cable. That is, the interfering signal changes both signals equally (increasing/decreasing the instantaneous voltage on both the A and B conductors). The interfrence can be regarded as common-mode noise that does not change the difference between the signal on the two conductors. Since a differential receiver decides on the value of each baud only using the difference in received voltage between A and B, this results in significant immunity to any external interference (which adds/subtracts equally to both A and B).

EIA-485 Differential Transmission

EIA-485 (previously called RS-485) is a standard that uses differential transmission to provide transmission using a 5V signal. The design is well suited for long-distance usage in a potentially noisy environment.

Transmission of a square wave signal using a balanced line, subject to noise.

EIA/RS-485 Transmitters and Receivers

A line driver is used as a transceiver for the balanced bus. Typical circuits provide both a sender and receiver. In DMX-512, the transmission is simplex. That is, a sender uses the line transmitter part of the transceiver and a receiver uses only the receiver part of the same design of transceiver chip, to act as a line receiver.

In Remote Device Management (RDM), both parts of the transceiver circuit are used by all devices. However, at any one time, only one transceiver chip will be in tramsit mode. This is called half-duplex.

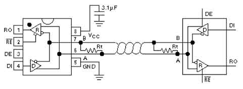
Practical Use of an EIA-485 Line Driver Chip

Typical line driver for differential transmission, showing a balanced line transmitter and a line receiver.

A pair of line drivers can be connected with a length of twisted pair cable to form a bus, as shown below:

Use of a typical driver chip, showing the termination resistance, Rt. RE and DE are respectively the receive and transmit driver enable pins.

At the receiver, the difference between the voltage on the pair of lines is used to detect the value of each received baud. The receiver threshold is the minimum difference in voltage between the two conductors. For EIA-485, this detection threshold is 200 millivolt (0.2V). The ability of the receiver circuit to reject external intereference is called Common Mode Rejection (CMR) and is usually expressed in dB as a ratio (CMRR).

Grounding and Cable Shield

EIA-485 allows use of a cable with no shield/ground wire.

Like most cables used for differential transmission, EIA-485 typically use a balanced cable that is shieled, where the two conductors are wrapped in a conducting foil shield. At one end of the bus, the ground is connected to this shield (this is at the sender in DMX-512). Grounding the shield provides protection from interference, especially for high frequency signals. Each receiver along the bus connects the shield from its input to its output. In this way, the earthing is continuous along the entire length of the bus. The ground connection may also be used to shield the transceiver electronics - but it is not used to detect the bauds that are sent.

While a simple line driver is sufficient for short-range communications, isolated transmitters and receivers are preferable. DMX-512 recommends this, because isolated transceivers have much better protection from transient voltages and earthing problems at different equipment (often known as ground loops). An isolated design uses DC isolation, were the line levels are electrically isolated from the logic levels. This often uses a dc-dc power supply to provide the transceiver supply voltage and opto-isolatorsto decuple the transmit and receive signals (and any control signal - e.g., to enable the transmitter in half-duplex operation).

Balanced Cables and Audio Signals

In audio applications it is common to use a balanced cable with an XLR connector at each end. A typical professional cable has a nominal impendance of aroung 100 Ohms. It may present about 1dB attenuation at 20kHz on a 100m cable run. Long cables are best thought of as transmission lines, with characistics depending on the length of cable.

Analogue audio often utilises differential signaling and a balanced cable is needed for this differential transmission, but this type of can also be used with one conductor carrying the audio signal, and where the other conductor is grounded (0V). The converse is not true, differential transmission relies upon using a balanced cable.

Both screened and unscreened audio cables are in used. Radio interference may be less of a problem for analogue audio because it operates at a much lower frequency band, however this becomes important for digital audio transmission. In some case, a wire braided shield is used in place of a continuous foil shield. This can be more flexible, but contains holes in the shield, providing much less protection from high frequency interference. The cable screen also allows a cable to be used to supply audio Phantom Power that can optionally provide power to a device at the end of the cable. A similar approach is used with Ethernet unshielded twisted pair network cables to provide Power over Ethernet (PoE).

Professional digital audio uses a screened 110 Ohm balanced cable to send a differential digital bit stream, usually sent at 5V. The analogue audio can be digitised at up to 24 bits of resolution at a sample rate of up to 192 kHz, which makes it suitable for high-quality audio applications, but lower rates are more common. A digital audio cable can send a single audio channel,or multiplex many audio and control signals on a single digital bus.

Grounding the Shield for Audio Cables

When present, the cable shield must be connected to ground at only one end of the cable to mitigate interference. Ground-lift or earth-lift is a technique used with balanced cables to reduce or eliminate ground-related noise from ground loops in audio equipment (i.e. where a signal/noise appears as a current flowing in the cable shield). Activating the ground-lift switch on a particular piece of equipment opens the connection between the equipment ground and the shielding conductor of the cables attached to the equipment, leaving the cable grounded only at their opposite end, eliminating an earth loop.

It is also common to use a low value capacitor in the receiver to connect the shield to the local ground, as a short curcuit for high frequency signals.

Note: When there is no ground connection at either end of the cable, this effectively eliminates the benefits of using a shielded cable, increasing the possibility of interference.

Balanced Cables and the Controller Area Network (CAN)

The CAN standard uses differential transmission with balanced cable. However, it uses three voltage levels on the lines. As in DMX, the second conductor (B) carries the inverse signal to the other conductor (A), but the CAN_H signal is level-shifted, so that the lowest level aligns with the highest level of the CAN_L signal. This enables arbitration, since one symbol (recessive) lets both conductors float to zero. The other symbol drives both conductors - each to the opposite polarity of the other.


See also:


Prof. Gorry Fairhurst, School of Engineering, University of Aberdeen, Scotland (2023).